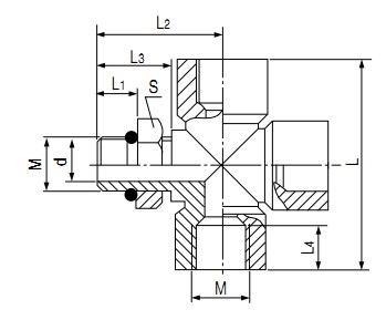
安裝及應用 JZH系列氣動管接頭,是一種新型的組合式氣動管接頭,最大工作壓力為1.0MPa.這種管接頭是由各種不同的接頭、接頭體和一個終端管座組合而成的。通過這三部分的組合,可以把同個管接頭組合成具有各種不同連接方式和不同公稱通徑的
![]() 安裝及應用 JZH系列氣動管接頭,是一種新型的組合式氣動管接頭,最大工作壓力為1.0MPa.這種管接頭是由各種不同的接頭、接頭體和一個終端管座組合而成的。通過這三部分的組合,可以把同個管接頭組合成具有各種不同連接方式和不同公稱通徑的組合式管接頭。 外形尺寸
|

我們的研發團隊&實驗室
華通氣動專業的技術研發團隊,擁有博士、碩士、本科學歷20余人,獲得多項國家級專利。與多家知名高校有技術研發合作,密切結合市場需求,開展研發工作。
目前已獲得發明專利十一項、實用新型專利五十多項、外觀專利三項。
技術中心還擁有600平米完整的氣動產品專業實驗室,可進行各類相關的氣動/物理/模擬/壽命試驗。各類檢測設備50余臺。其中20余臺為我公司技術中心自主研發制造的檢測設備。
壽命測試臺 |
沖擊試驗機 |
高低溫試驗箱 |
三坐標測量儀 |
超聲波探傷儀 |
液壓萬能試驗機 |
電動布洛維硬度計 |
半自動沖擊機 |
生產制造能力
|
華通氣動全廠擁有自動化流水線和檢測設備130余臺,從美國、日本、韓國、臺灣等地引進一流的制造裝備工藝。擁有智能機器人加工生產線、美國哈挺加工中心、日本津上走心式車銑復合加工中心、刀塔式雙頭復合車、全自動數控機床、智能裝配線。月度產能各類控制閥10萬套以上。 |
華通氣動車間生產制造能力
高精度自動送料數控車床 |
加工中心車間 |
|
|
質量保證能力
—— 先進的智能化檢測線
|
|
|
|
—— 智能的產品裝配線
通過視覺檢測相機、接近傳感器、對射光纖傳感器等檢測手段,嚴格控制過程中的錯裝、漏裝。

—— 質量管理體系認證
IATF16949: 2016 汽車行業質量管理體系認證 |
ISO9001: 2015 質量管理體系認證(ISO9000) |
非標氣缸定制,我們擁有以下相關技術的氣缸定做,歡迎來圖來樣非標ODM、OEM定制
水循環降溫技術
氣液轉換增壓技術
多級伸縮技術
精準定位技術
集成自控技術
高頻往復技術
智能集成控制技術
防轉技術
耐高溫、耐低溫、耐腐蝕
華通氣動概況介紹





無錫市華通氣動制造有限公司
咨詢熱線:400-150-1100
傳真:0510-85757700
郵箱:netsales@wxpneum.com.cn
郵編:214177
地址:無錫市惠山經濟開發區欣惠路555號
熱線電話
0510-83591123
上班時間
周一到周六
營銷QQ
800099935
